ELEKTRONSKI KEYER Z MEMORIJO

Forum za ljubitelje CW

Moderatorji: S57D, S58R

ELEKTRONSKI KEYER Z MEMORIJO

OdgovorNapisal/-a s53kp » 06 Mar 2012, 19:31

Kar nekaj časa sem iskal dober elektronski taster z memorijo in končno našel rešitev jo želim deliti tudi z ostalimi radioamaterji, ki bi želeli sami izdelati kvaliteten keyer, ki je nepogrešljiv v vsaki radioamaterski sobi - PPS-u.

Gre za elektronski taster radioamaterja 9A5ANB - Mic iz Zagreba naslednjih karakteristik:

TEHNIČNE KARAKTERISTIKE

- serijski port za oglaševanje postaje in vpis v memorijo preko računalnika
- hitrost tipkanja 25 – 250 znakov v minuti, nastavitev s potenciometrom
- nastavljanje tona zujalice med 500 – 900 Hz
- memorijske črte in pike: Iambic A ali B
- nastavitev razmerja pika presledek od 20 – 80%, normalno je 50 %
- Memorije se ne izbrišejo ob izklopu napajanja: 3-24 memorij (70-75) znakov vsake od memorij
- Ponavjanje sporočila iz memorije (beacon), možnost nastavitv posamezne ali skupine memorij
- Nastavitev časa za ponavljanje sporočila iz memorije
- Serijska številka zveze: avtomatski števec od 0-65535 z možnostjo nastavitve znakov T (001, TT1,
0045, TT45 itd)
- avtomatska nastavitev razmaka med znaki (avtospace) v dolžini 2 – 9 pik
- vključena ali izključena zujalica
- možnost izključiti zunanjega tipkanje postaje
- možnost nastavitve tipkanja za levo in desno roko
- vse nastavitve ostanejo tudi po izključitvi napajanja
- možnost treniranja telegrafije in primerjanja tipkanja na računalniku
- možnost napajanja z baterije ali napajanje 6 – 15V

Z avtorjem sem se dogovoril, da bo zagotovil zadostno število sprogramiranih PIC-ov, v kolikor bo interesentov za samo izdelavo omenjenega keyerja. Načrt in ostala dokumentacija bo dosegljiva, če bo interes za izdelavo.
Sam sem izrisal tiskano vezje, ki ni zahtevno, zagotavljam pa da je keyer odličen.
Priponke
PCB-9a pic keyer.GIF
(58.48 KiB) Še ni prenešeno
Uporabniški avatar
s53kp
 
Prispevkov: 226
Pridružen: 27 Apr 2003, 19:36
Kraj: Koper

Re: ELEKTRONSKI KEYER Z MEMORIJO

OdgovorNapisal/-a s53kp » 27 Mar 2012, 03:14

Še slika končanega
Priponke
Keyer2403.jpg
(142.9 KiB) Še ni prenešeno
Uporabniški avatar
s53kp
 
Prispevkov: 226
Pridružen: 27 Apr 2003, 19:36
Kraj: Koper

Re: ELEKTRONSKI KEYER Z MEMORIJO

OdgovorNapisal/-a S52DD » 27 Mar 2012, 07:48

Kaj pa stari dobri GMZ (Generator Morze Znakov)? Kar nekaj od naštetih funkcij podpira. Srečni lastniki ga ljubosumno čuvajo, ampak se še kje dobi. Sam imam enega in mi zadostuje. Sicer pa, komenatar je mišljen kot zanimivost in bolj za zbiralce. El. keyer o katerem je beseda tekla je vsekakor bolj zanimiv za večino amaterjev. Pa še link do strani z nekaj razlage o napravi: http://www.radista.info/tasteri.htm
Dušan, S52DD
Uporabniški avatar
S52DD
 
Prispevkov: 126
Pridružen: 14 Maj 2009, 18:53
Kraj: Brežice

Re: ELEKTRONSKI KEYER Z MEMORIJO

OdgovorNapisal/-a s53kp » 27 Mar 2012, 17:31

Dušan živ!

TS-1 in TS-4 imam še sedaj doma, tako da včasih je bil dober dokler se nismo polenili.

Lep dan
Uporabniški avatar
s53kp
 
Prispevkov: 226
Pridružen: 27 Apr 2003, 19:36
Kraj: Koper

Re: ELEKTRONSKI KEYER Z MEMORIJO

OdgovorNapisal/-a s55z » 28 Mar 2012, 12:29

A je zadeva WinKey kompatibilna? Torej se jo da uporabljati v ctest programih kot CW generator (pošiljanje ASCII preko com porta)?
Če ja, sem takoj interesent, ker sem pravkar skuril stari dobri K1EL... :(
VY 73 & GL, Dragan S55Z, EPC #0760
HAMtech - Toys for real CONTEST-ers and DX-ers
s55z
 
Prispevkov: 2464
Pridružen: 13 Jul 2003, 03:29
Kraj: Ljubljana - JN76HB

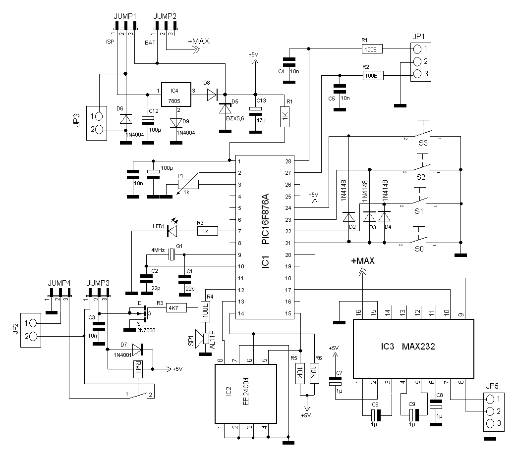
9A5ANB ELEKTRONSKI TASTER Z MEMORIJO - KEYER

OdgovorNapisal/-a s53kp » 05 Jul 2012, 07:08

Nastal je malo boljši načrt, katerega je prerisal S56BSC - Srečko
Priponke
KEYER- načrt.GIF
Načrt -9A5ANB Keyer
(22.31 KiB) Še ni prenešeno
Uporabniški avatar
s53kp
 
Prispevkov: 226
Pridružen: 27 Apr 2003, 19:36
Kraj: Koper

Re: ELEKTRONSKI KEYER Z MEMORIJO

OdgovorNapisal/-a s55z » 06 Jul 2012, 09:21

s55z napisal/-a:A je zadeva WinKey kompatibilna? Torej se jo da uporabljati v ctest programih kot CW generator (pošiljanje ASCII preko com porta)?
Če ja, sem takoj interesent, ker sem pravkar skuril stari dobri K1EL... :(
VY 73 & GL, Dragan S55Z, EPC #0760
HAMtech - Toys for real CONTEST-ers and DX-ers
s55z
 
Prispevkov: 2464
Pridružen: 13 Jul 2003, 03:29
Kraj: Ljubljana - JN76HB

9A5ANB ELEKTRONSKI TASTER Z MEMORIJO - KEYER

OdgovorNapisal/-a s53kp » 07 Jul 2012, 15:26

Načrt elektronskega tasterja z lepotnimi popravki (končna verzija)
Priponke
Načrt 9a_končan.GIF
Načrt elektronskega tasterja z memorijo verzija 9A5ANB
(25.26 KiB) Še ni prenešeno
Uporabniški avatar
s53kp
 
Prispevkov: 226
Pridružen: 27 Apr 2003, 19:36
Kraj: Koper

Re: ELEKTRONSKI KEYER Z MEMORIJO

OdgovorNapisal/-a s51da » 17 Jul 2012, 19:13

s55z napisal/-a:
s55z napisal/-a:A je zadeva WinKey kompatibilna? Torej se jo da uporabljati v ctest programih kot CW generator (pošiljanje ASCII preko com porta)?
Če ja, sem takoj interesent, ker sem pravkar skuril stari dobri K1EL... :(


Če poznaš Arduino...

http://radioartisan.wordpress.com/arduino-cw-keyer/

Nisem ga (še) naredil, zato ne morem komentirat kako se obnese.

73 de s51da
s51da
 
Prispevkov: 136
Pridružen: 21 Okt 2001, 01:00
Kraj: Bohinj

Re: ELEKTRONSKI KEYER Z MEMORIJO

OdgovorNapisal/-a s55z » 18 Jul 2012, 10:25

TNX Dubi... Po dokumentaciji sodeč je tole UFB CW mašinca z emulacijo WinKeyer!

Imaš še kak komplet viška? :D
VY 73 & GL, Dragan S55Z, EPC #0760
HAMtech - Toys for real CONTEST-ers and DX-ers
s55z
 
Prispevkov: 2464
Pridružen: 13 Jul 2003, 03:29
Kraj: Ljubljana - JN76HB

Re: ELEKTRONSKI KEYER Z MEMORIJO

OdgovorNapisal/-a s51da » 19 Jul 2012, 09:18

s55z napisal/-a:TNX Dubi... Po dokumentaciji sodeč je tole UFB CW mašinca z emulacijo WinKeyer!

Imaš še kak komplet viška? :D


Hoj

Dubi = s51du
s51da = David

:wink:

Če želiš KIT se obrni na DJ0MY http://nanokeyer.wordpress.com/nanokeyer-info/

73 de s51da
s51da
 
Prispevkov: 136
Pridružen: 21 Okt 2001, 01:00
Kraj: Bohinj

Re: ELEKTRONSKI KEYER Z MEMORIJO

OdgovorNapisal/-a s55z » 19 Jul 2012, 10:18

SRI David.. se zgodi ... :D
VY 73 & GL, Dragan S55Z, EPC #0760
HAMtech - Toys for real CONTEST-ers and DX-ers
s55z
 
Prispevkov: 2464
Pridružen: 13 Jul 2003, 03:29
Kraj: Ljubljana - JN76HB

Re: ELEKTRONSKI KEYER Z MEMORIJO

OdgovorNapisal/-a s51sk » 20 Nov 2012, 21:17

s51da napisal/-a:Če poznaš Arduino...

http://radioartisan.wordpress.com/arduino-cw-keyer/

Nisem ga (še) naredil, zato ne morem komentirat kako se obnese.

73 de s51da

Zadevo sem naredil in deluje presenetljivo dobro. Čaka me še najtežji del - škatla :roll:
Uporabniški avatar
s51sk
 
Prispevkov: 153
Pridružen: 23 Apr 2002, 09:05
Kraj: Ribnica

Re: ELEKTRONSKI KEYER Z MEMORIJO

OdgovorNapisal/-a s53kp » 28 Feb 2013, 18:54

Ka nekaj hamov me je prosilo, da bi nabavil pic za omenjeni keyer. Če bi kdo bil zainteresiran naj napiše, da bi lahko začel akcijo.

LP, Maks
Uporabniški avatar
s53kp
 
Prispevkov: 226
Pridružen: 27 Apr 2003, 19:36
Kraj: Koper

Re: ELEKTRONSKI KEYER Z MEMORIJO

OdgovorNapisal/-a s57zt » 01 Mar 2013, 20:48

Jaz sem za :)

73, Tadej
s57zt
 
Prispevkov: 14
Pridružen: 25 Dec 2011, 11:53
Kraj: Selnica ob Dravi

Naslednja

Vrni se na CW

Kdo je na strani

Po forumu brska: 0 registriranih uporabnikov in 0 gostov