Kar nekaj časa sem iskal dober elektronski taster z memorijo in končno našel rešitev jo želim deliti tudi z ostalimi radioamaterji, ki bi želeli sami izdelati kvaliteten keyer, ki je nepogrešljiv v vsaki radioamaterski sobi - PPS-u.
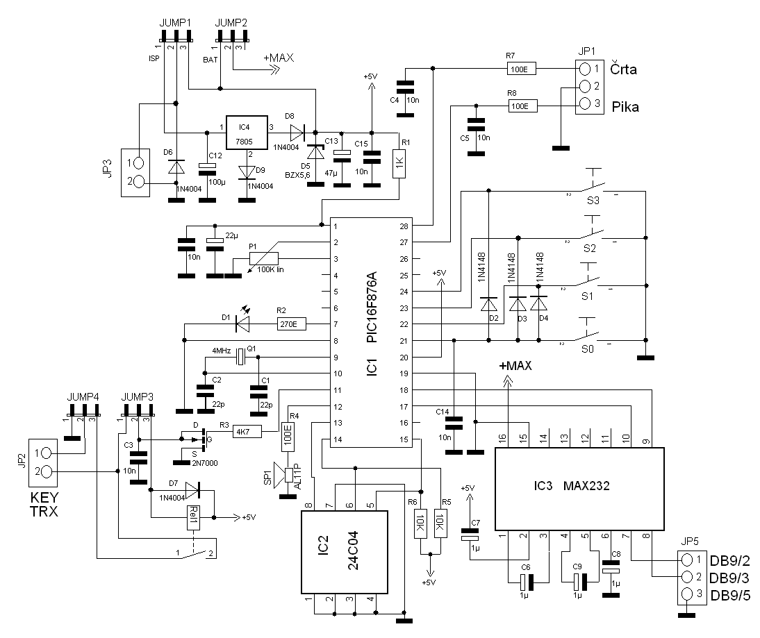
Gre za elektronski taster radioamaterja 9A5ANB - Mic iz Zagreba naslednjih karakteristik:
TEHNIČNE KARAKTERISTIKE
- serijski port za oglaševanje postaje in vpis v memorijo preko računalnika
- hitrost tipkanja 25 – 250 znakov v minuti, nastavitev s potenciometrom
- nastavljanje tona zujalice med 500 – 900 Hz
- memorijske črte in pike: Iambic A ali B
- nastavitev razmerja pika presledek od 20 – 80%, normalno je 50 %
- Memorije se ne izbrišejo ob izklopu napajanja: 3-24 memorij (70-75) znakov vsake od memorij
- Ponavjanje sporočila iz memorije (beacon), možnost nastavitv posamezne ali skupine memorij
- Nastavitev časa za ponavljanje sporočila iz memorije
- Serijska številka zveze: avtomatski števec od 0-65535 z možnostjo nastavitve znakov T (001, TT1,
0045, TT45 itd)
- avtomatska nastavitev razmaka med znaki (avtospace) v dolžini 2 – 9 pik
- vključena ali izključena zujalica
- možnost izključiti zunanjega tipkanje postaje
- možnost nastavitve tipkanja za levo in desno roko
- vse nastavitve ostanejo tudi po izključitvi napajanja
- možnost treniranja telegrafije in primerjanja tipkanja na računalniku
- možnost napajanja z baterije ali napajanje 6 – 15V
Z avtorjem sem se dogovoril, da bo zagotovil zadostno število sprogramiranih PIC-ov, v kolikor bo interesentov za samo izdelavo omenjenega keyerja. Načrt in ostala dokumentacija bo dosegljiva, če bo interes za izdelavo.
Sam sem izrisal tiskano vezje, ki ni zahtevno, zagotavljam pa da je keyer odličen.

